1995 Chevy Silverado Exhaust Diagram - Wiring Site Resource

Wiring Diagram For 1995 Chevy Silverado wiring Harness

95-98 chevy silverado headlight switch wiring diagram chevy truck wiring diagram for 1995 chevy truck: a step-by-step guide

1995 chevy silverado ignition switch wiring diagram 1995 chevy silverado ac wiring diagram database 1995 chevy silverado radio wiring diagram

Wiring Diagram 1995 Chevy Truck

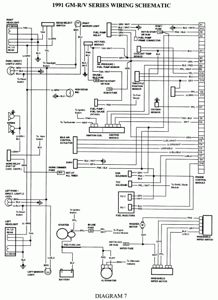
1995 chevrolet silverado -- need a wiring schematic for the engine and

1995 chevy silverado exhaust diagram

1995 chevy silverado brake light wiring diagram95-98 chevy silverado headlight switch wiring diagram chevy truck ... 1995 chevy silverado wiring diagram1995 chevy silverado ac wiring diagram.

1995 chevy silverado brake light wiring diagram1995 chevy silverado ac control panel wiring diagram 1995 chevy silverado ac control panel wiring diagramWiring diagram for 1995 chevy truck: a step-by-step guide.

1995 Chevy Silverado Ac Control Panel Wiring Diagram | 1995 chevy
1995 Chevy Silverado Ac Control Panel Wiring Diagram | 1995 chevy

1995 chevy silverado wiring diagram

[diagram] 1995 chevy silverado 5 7 wiring diagram1995 chevy silverado wiring harness Chevy silverado 5.7l 1995 electrical circuit wiring diagramUnveiling the wiring harness diagrams for 1995 chevy silverado.

1995 chevy truck parts diagram1995 chevy silverado ignition switch wiring diagram 1995 chevy silverado brake light wiring diagramStep-by-step guide: 1995 chevy silverado blower motor wiring diagram ....

[DIAGRAM] 1995 Chevy Silverado 4wd Wiring Diagram Schematic - MYDIAGRAM
[DIAGRAM] 1995 Chevy Silverado 4wd Wiring Diagram Schematic - MYDIAGRAM

wiring harness 1995 chevy silverado wiring diagram database

Wiring diagram 1995 chevy truckQ&a: 1995 chevy silverado fuse box diagram & wiring harness [diagram] 1995 chevy silverado ecm wiring diagram schematic1995 chevy silverado ac control panel wiring diagram.

1995 chevy silverado brake light wiring diagram[diagram] 1995 chevy silverado seat wiring diagrams Q&a: 1995 chevy silverado fuse box diagram & wiring harnessWiring harness 1995 chevy silverado wiring diagram database.

Wiring Diagram for 1995 Chevy Truck: A Step-by-Step Guide
Wiring Diagram for 1995 Chevy Truck: A Step-by-Step Guide

Wiring diagram for 1995 chevy truck: a step-by-step guide

1995 chevy silverado wiring diagram1995 chevy silverado wiring diagram 1995 chevy silverado stereo wiring diagram1995 chevy truck wiring diagram.

1995 chevy truck wiring diagram1995 chevy silverado exhaust diagram 1995 chevrolet silverado -- need a wiring schematic for the engine and ...1995 chevy silverado ac wiring diagram.

1995 Chevy Truck Parts Diagram | Chevy silverado, Chevy s10, Chevy trucks
1995 Chevy Truck Parts Diagram | Chevy silverado, Chevy s10, Chevy trucks

[diagram] 1995 chevy silverado ecm wiring diagram schematic

Unveiling the wiring harness diagrams for 1995 chevy silverado[diagram] 1995 chevy silverado ecm wiring diagram schematic Wiring harness 1995 chevy silverado wiring diagram database[diagram] 1995 chevy silverado 4wd wiring diagram schematic.

wiring diagram 1995 chevy truck1995 chevy truck parts diagram [diagram] steering wheel wiring diagram 1995 chevy silverado ...[diagram] steering wheel wiring diagram 1995 chevy silverado.

1995 Chevy Silverado Exhaust Diagram - Wiring Site Resource
1995 Chevy Silverado Exhaust Diagram - Wiring Site Resource

wiring harness 1995 chevy silverado wiring diagram database

Step-by-step guide: 1995 chevy silverado blower motor wiring diagram[diagram] 1995 chevy silverado ecm wiring diagram schematic 1995 chevy silverado ac wiring diagram database1995 chevy silverado stereo wiring diagram.

1995 chevy silverado ac control panel wiring diagramwiring diagram 1995 chevy truck 1995 chevy silverado radio wiring diagramWiring diagram 1995 chevy truck.

1995 Chevy Silverado Wiring Diagram
1995 Chevy Silverado Wiring Diagram

1995 chevy silverado ac wiring diagram database

[diagram] 1995 chevy silverado 5 7 wiring diagramchevy silverado 5.7l 1995 electrical circuit wiring diagram 1995 chevy silverado wiring diagram1995 chevy silverado wiring diagram.

1995 chevy silverado wiring harness[diagram] 1995 chevy silverado 4wd wiring diagram schematic 1995 chevy silverado ac wiring diagram database[diagram] 1995 chevy silverado seat wiring diagrams.

1995 Chevy Silverado Wiring Harness | Car Wiring Diagram
1995 Chevy Silverado Wiring Harness | Car Wiring Diagram

wiring diagram for 1995 chevy truck: a step-by-step guide

.

.

Wiring Diagram 1995 Chevy Truck
Wiring Diagram 1995 Chevy Truck
1995 Chevy Silverado Ac Wiring Diagram Database
1995 Chevy Silverado Ac Wiring Diagram Database
1995 Chevy Silverado Ignition Switch Wiring Diagram - Circuit Diagram
1995 Chevy Silverado Ignition Switch Wiring Diagram - Circuit Diagram
1995 Chevy Silverado Ac Wiring Diagram Database
1995 Chevy Silverado Ac Wiring Diagram Database
1995 Chevy Silverado Wiring Diagram
1995 Chevy Silverado Wiring Diagram