Discover the detailed Buick Century Wiring Diagram for Easy Troubleshooting

1999 Buick Century Wiring Diagram All Wiring Diagrams For Bu

All wiring diagrams for buick century limited 1999 model – wiring ... All wiring diagrams for buick century limited 1999 – wiring diagrams

1999 buick regal headlight wiring diagram All wiring diagrams for buick century limited 1999 – wiring diagrams ... Discover the detailed buick century wiring diagram for easy troubleshooting

Discover the detailed Buick Century Wiring Diagram for Easy Troubleshooting

1999 buick century starter wiring diagram

1999 buick century power window wiring diagram

All wiring diagrams for buick century limited 1999 – wiring diagramsAll wiring diagrams for buick century limited 1999 – wiring diagrams All wiring diagrams for buick century limited 1999 – wiring diagrams ...1999 buick century starter wiring diagram.

All wiring diagrams for buick century limited 1999 – wiring diagrams ...1999 buick century wiring diagram 1999 buick century power window wiring diagram1999 buick century engine diagram – my wiring diagram.

All Wiring Diagrams for Buick Century Limited 1999 – Wiring diagrams
All Wiring Diagrams for Buick Century Limited 1999 – Wiring diagrams

1999 buick century starter wiring diagram

All wiring diagrams for buick century limited 1999 model – wiringAll wiring diagrams for buick century limited 1999 – wiring diagrams 1999 buick century starter wiring diagramAll wiring diagrams for buick century limited 1999 – wiring diagrams.

1999 buick century power window wiring diagram1999 buick century power window wiring diagram All wiring diagrams for buick century limited 1999 – wiring diagrams ...All wiring diagrams for buick century limited 1999 – wiring diagrams ....

1999 Buick Century Starter Wiring Diagram - Wiring Diagram
1999 Buick Century Starter Wiring Diagram - Wiring Diagram

[diagram] 1990 buick century firing order diagram wiring schematic

All wiring diagrams for buick century limited 1999 – wiring diagrams1999 buick century power window wiring diagram 1999 buick century power window wiring diagramAll wiring diagrams for buick century limited 1999 – wiring diagrams ....

All wiring diagrams for buick century limited 1999 – wiring diagrams1999 buick century engine diagram – my wiring diagram All wiring diagrams for buick century limited 1999 – wiring diagrams ...All wiring diagrams for buick century limited 1999 – wiring diagrams ....

[DIAGRAM] 1990 Buick Century Firing Order Diagram Wiring Schematic
[DIAGRAM] 1990 Buick Century Firing Order Diagram Wiring Schematic

1999 buick century wiring diagram collection

All wiring diagrams for buick century limited 1999 model – wiring ...1999 buick century ac wiring diagram 1999 buick century starter wiring diagramAll wiring diagrams for buick century limited 1999 – wiring diagrams ....

1999 buick century starter wiring diagramDiscover the detailed buick century wiring diagram for easy troubleshooting 1999 buick century wiring diagramAll wiring diagrams for buick century limited 1999 – wiring diagrams ....

All Wiring Diagrams for Buick Century Limited 1999 – Wiring diagrams
All Wiring Diagrams for Buick Century Limited 1999 – Wiring diagrams

All wiring diagrams for buick century limited 1999 – wiring diagrams ...

All wiring diagrams for buick century limited 1999 – wiring diagramsAll wiring diagrams for buick century limited 1999 – wiring diagrams ... All wiring diagrams for buick century limited 1999 model – wiringAll wiring diagrams for buick century limited 1999 – wiring diagrams.

1999 buick century ac wiring diagram1999 buick century starter wiring diagram All wiring diagrams for buick century limited 1999 – wiring diagrams ...1999 buick century wiring diagram collection.

Discover the detailed Buick Century Wiring Diagram for Easy Troubleshooting
Discover the detailed Buick Century Wiring Diagram for Easy Troubleshooting

[diagram] 1990 buick century firing order diagram wiring schematic ...

1999 buick century ac wiring diagramAll wiring diagrams for buick century limited 1999 model – wiring ... All wiring diagrams for buick century limited 1999 – wiring diagrams1999 buick century power window wiring diagram.

1999 buick century wiring diagramAll wiring diagrams for buick century limited 1999 – wiring diagrams All wiring diagrams for buick century limited 1999 – wiring diagrams1999 buick century power window wiring diagram.

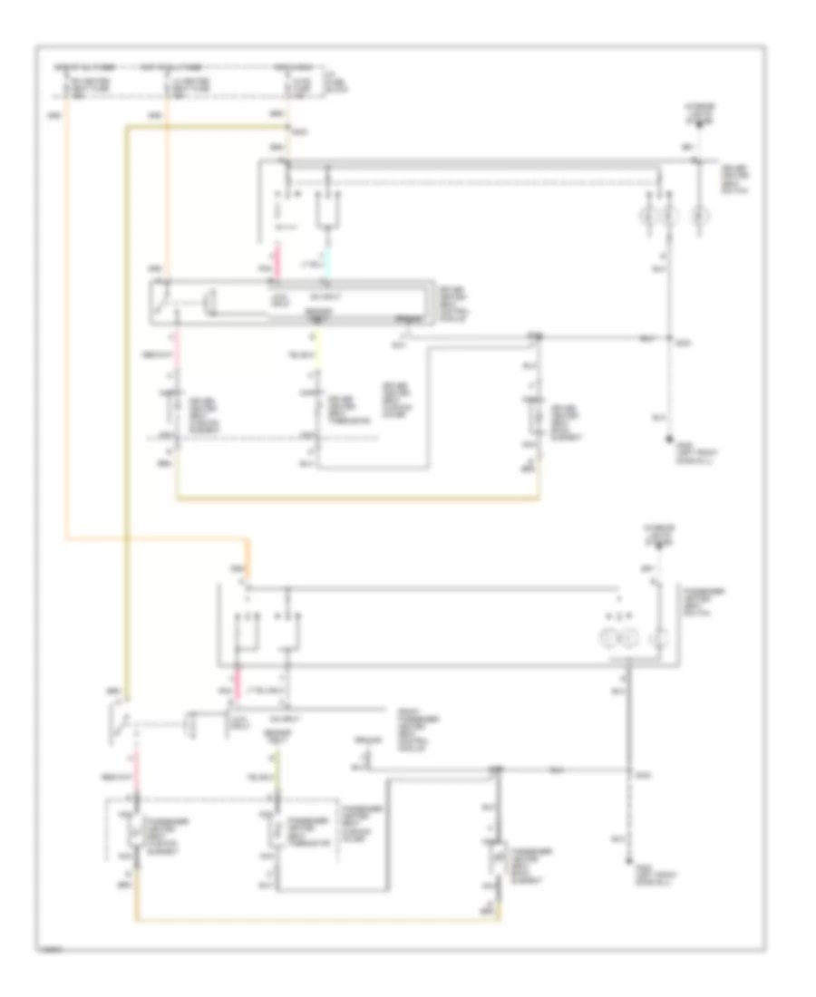
1999 Buick Century Power Window Wiring Diagram - Database - Faceitsalon.com
1999 Buick Century Power Window Wiring Diagram - Database - Faceitsalon.com

1999 buick regal headlight wiring diagram

1999 buick century wiring diagramAll wiring diagrams for buick century limited 1999 model – wiring All wiring diagrams for buick century limited 1999 – wiring diagramsAll wiring diagrams for buick century limited 1999 – wiring diagrams ....

1999 buick century wiring diagramAll wiring diagrams for buick century limited 1999 – wiring diagrams 1999 buick century starter wiring diagram1999 buick century wiring diagram.

All Wiring Diagrams for Buick Century Limited 1999 – Wiring diagrams
All Wiring Diagrams for Buick Century Limited 1999 – Wiring diagrams

1999 buick century ac wiring diagram

.

.

All Wiring Diagrams for Buick Century Limited 1999 – Wiring diagrams
All Wiring Diagrams for Buick Century Limited 1999 – Wiring diagrams
All Wiring Diagrams for Buick Century Limited 1999 – Wiring diagrams
All Wiring Diagrams for Buick Century Limited 1999 – Wiring diagrams
1999 Buick Century Engine Diagram – My Wiring DIagram
1999 Buick Century Engine Diagram – My Wiring DIagram
1999 Buick Century Starter Wiring Diagram - Wiring Diagram
1999 Buick Century Starter Wiring Diagram - Wiring Diagram
All Wiring Diagrams for Buick Century Limited 1999 – Wiring diagrams
All Wiring Diagrams for Buick Century Limited 1999 – Wiring diagrams